Danh mục
Mã sản phẩm: MC20/10L
Giá: đ
Số lượng:
Tổng tiền: đ

Hotline hỗ trợ
0913703747
![]() |
Suitable for various purpose.
Compact design
|
Catalog Download
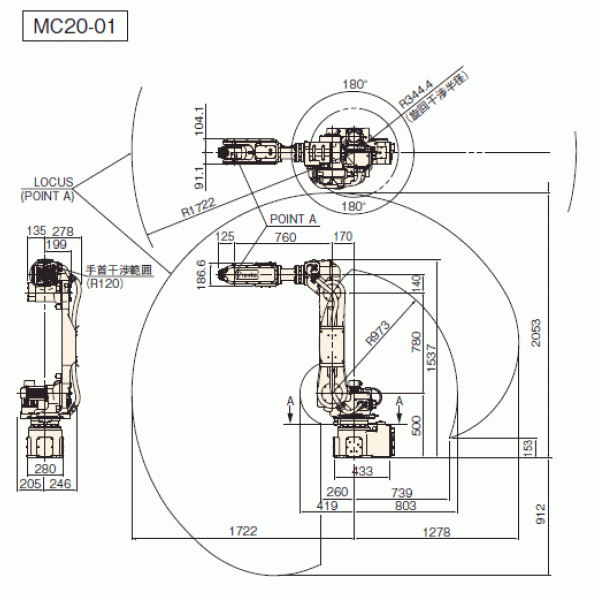
| Robot model | MC20-01 | MC10L-01 | |
|---|---|---|---|
| Construction | Articulated construction | ||
| Number of axes | 6 | ||
| Drive system | AC servo system | ||
| Max. operating area | J1 | +/-3.14rad (+/-180°) | |
| J2 | +1.05 to -2.53rad (+60 to -145°) | ||
| J3 | +4.22 to -2.84rad (+242 to -163°) | ||
| J4 | +/-3.14rad (+/-180°) | ||
| J5 | +/-2.42rad (+/-139°) | ||
| J6 | +/-6.28rad (+/-360°) | ||
| Max. speed | J1 | 2.96rad/s (170°/s) | 2.62rad/s (150°/s) |
| J2 | 2.96rad/s (170°/s) | ||
| J3 | 2.96rad/s (170°/s) | ||
| J4 | 6.28rad/s (360°/s) | ||
| J5 | 6.28rad/s (360°/s) | ||
| J6 | 10.5rad/s (600°/s) | ||
| Payload*1 | 20kg (Max. 22kg) | 10kg | |
| Wrist torque | J4 | 49N·m | 24.5N·m |
| J5 | 49N·m | 24.5N·m | |
| J6 | 23.5N·m | 12N·m | |
| Wrist moment of inertia*2 | J4 | 1.6kg·m2 | |
| J5 | 1.6kg·m2 | ||
| J6 | 0.8kg·m2 | 0.7kg·m2 | |
| Position repeat accuracy*3 | +/-0.06mm | ||
| Maximum working air pressure | 0.49MPa (5.0kgf/cm2)or less | ||
| Ambient temperature | 0 to 45°C | ||
| Installation parameters | Floor mounted,Ceiling mounted | ||
| Environmental resistance*4 | Meets the IP65 standard (for dust and waterproofing) | ||
| Robot mass | 220kg | 225kg | |
1[rad]=180/π[°] 1[N·m]=1/9.8[kgf·m]